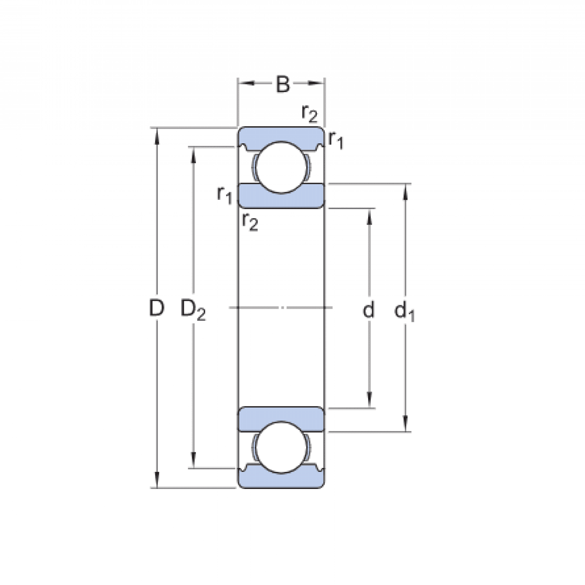
Ložisko 6305 C3 - CX

Rozmer: 25x62x17 Značka: CX
Skladom 9 ks na dopyt
+
-
ks