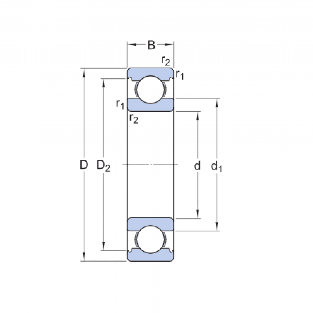
Ložisko 6305 - FAG

Rozmer: 25x62x17 Značka: FAG
Externý sklad na dopyt
+
-
ks