Ložisko 6306 2RS - BBC

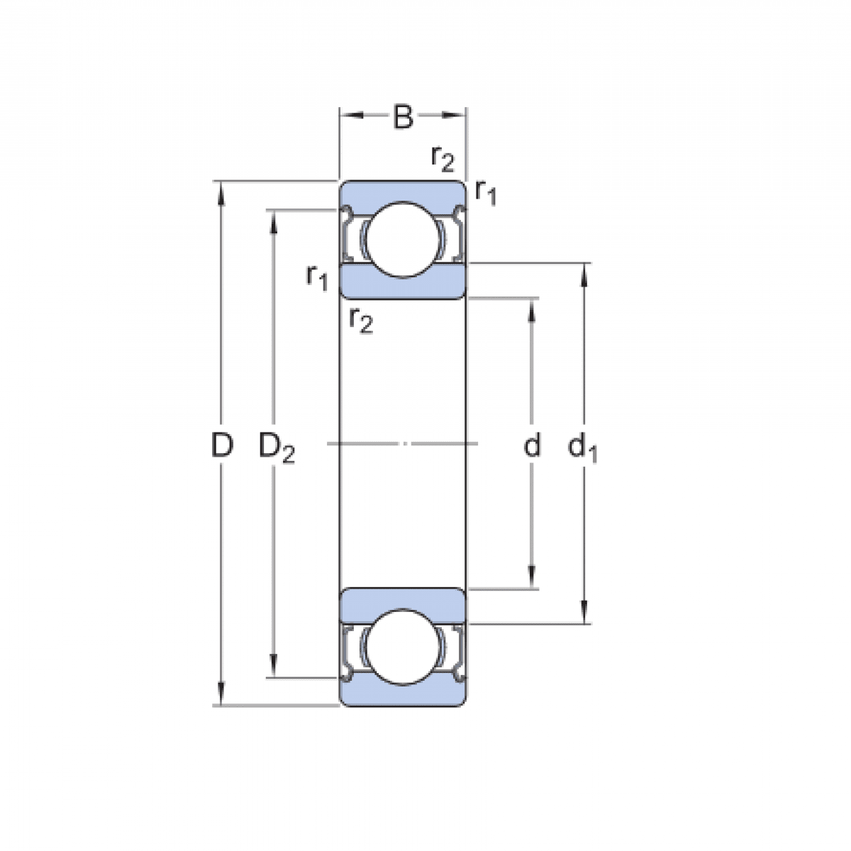
Rozmer: 30x72x19 Značka: BBC
Skladom 5 ks na dopyt
+
-
ks