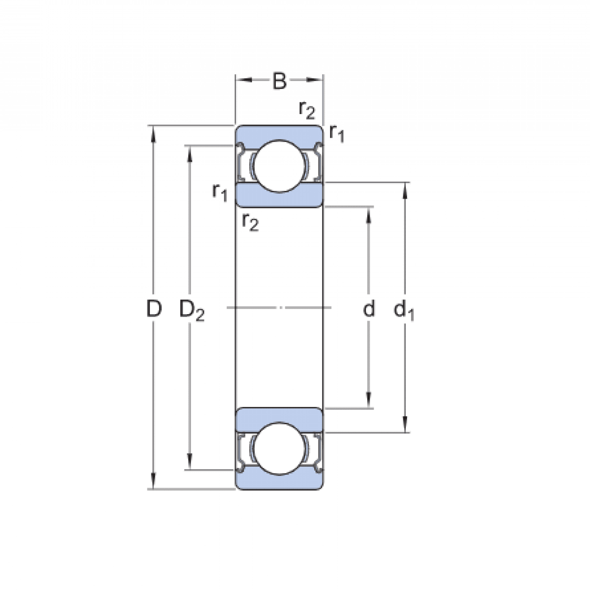
Ložisko 6306 2RS C3 - MTM

Rozmer: 30x72x19 Značka: MTM
Externý sklad na dopyt
+
-
ks