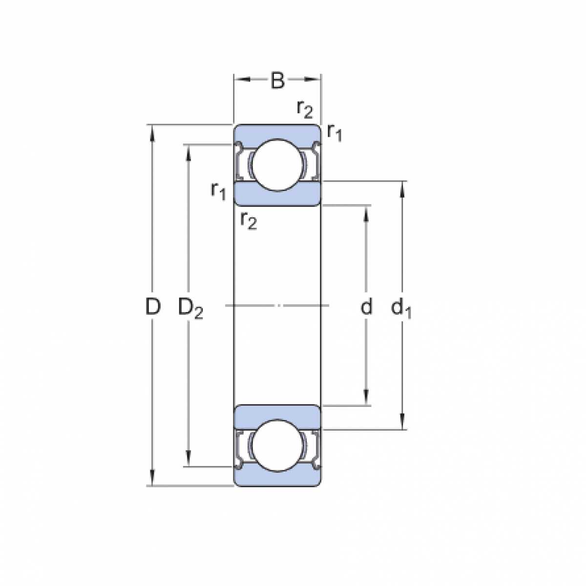
Ložisko 6306 2RS C4 - NSK

Rozmer: 30x72x19 Značka: NSK
Externý sklad na dopyt
+
-
ks