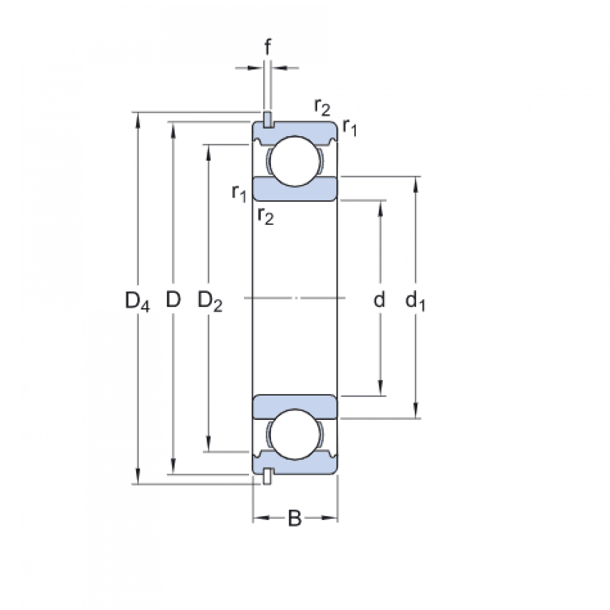
Ložisko 6306 2RS NR - NEU

Rozmer: 30x72x19 Značka: NEU
Externý sklad na dopyt
+
-
ks