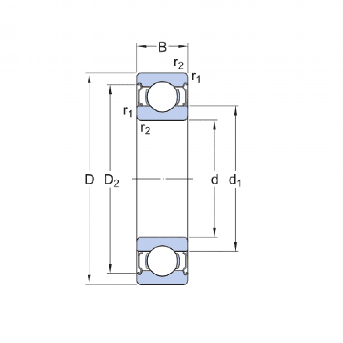
Ložisko 6306 2Z - CX

Rozmer: 30x72x19 Značka: CX
Externý sklad na dopyt
+
-
ks