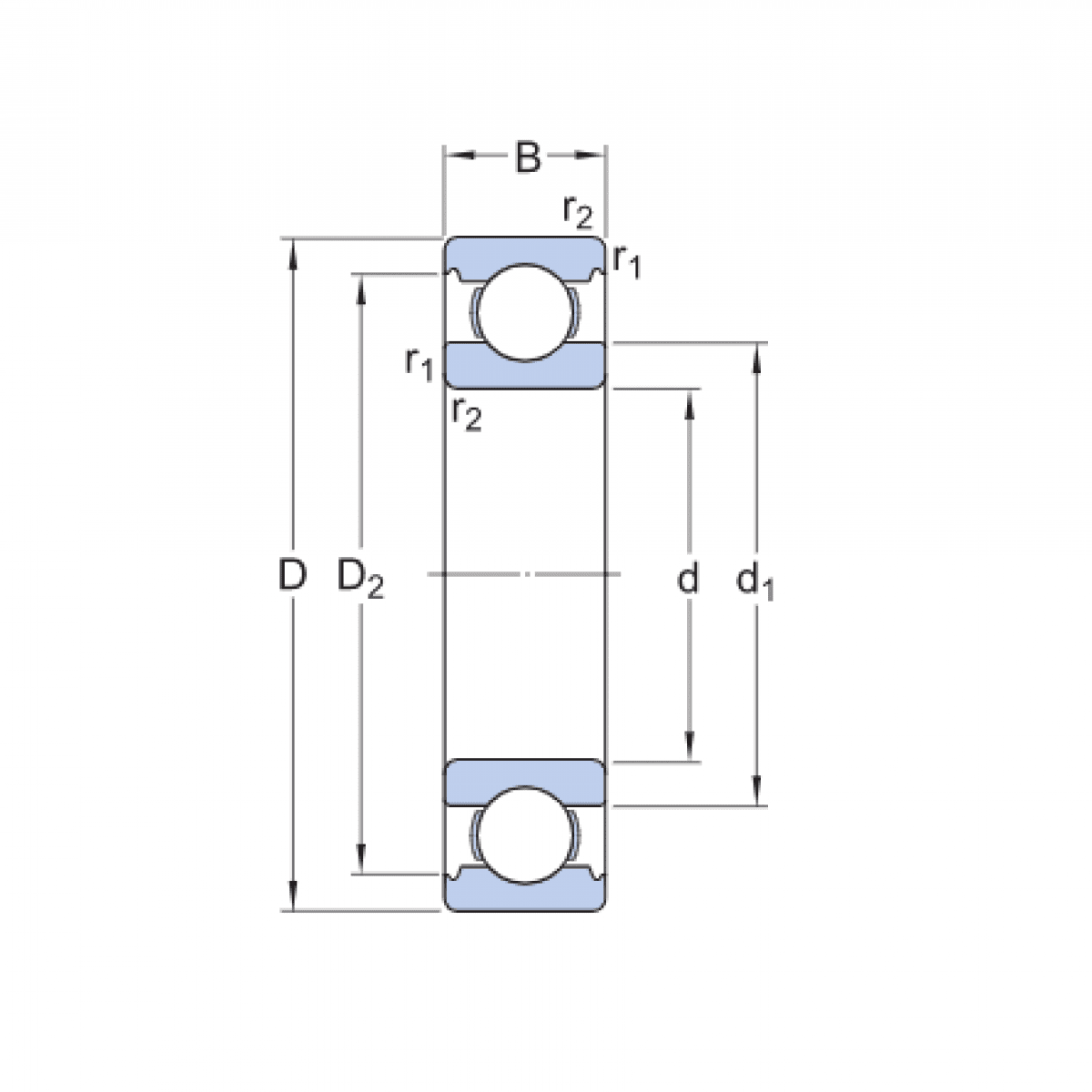
Ložisko 6306 C3 - ZKL NEW

Rozmer: 30x72x19 Značka: ZKL
Skladom 10 ks na dopyt
+
-
ks