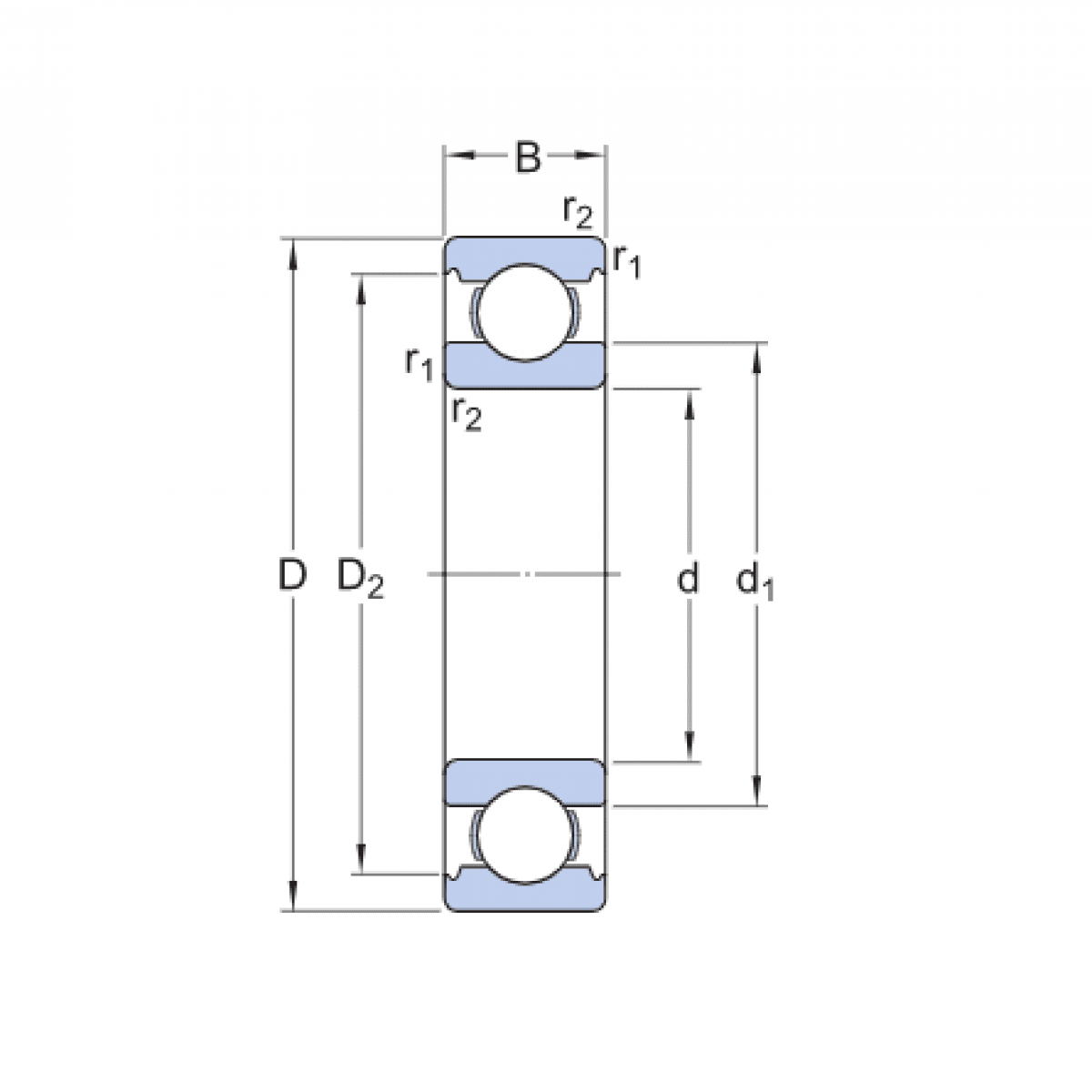
Ložisko 6306 - FAG

Rozmer: 30x72x19 Značka: FAG
Externý sklad na dopyt
+
-
ks