Ložisko 6306 NR C3 - KOYO

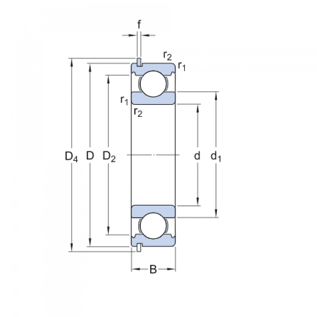
Rozmer: 30x72x19 Značka: KOYO-TORRINGTON
Externý sklad na dopyt
+
-
ks