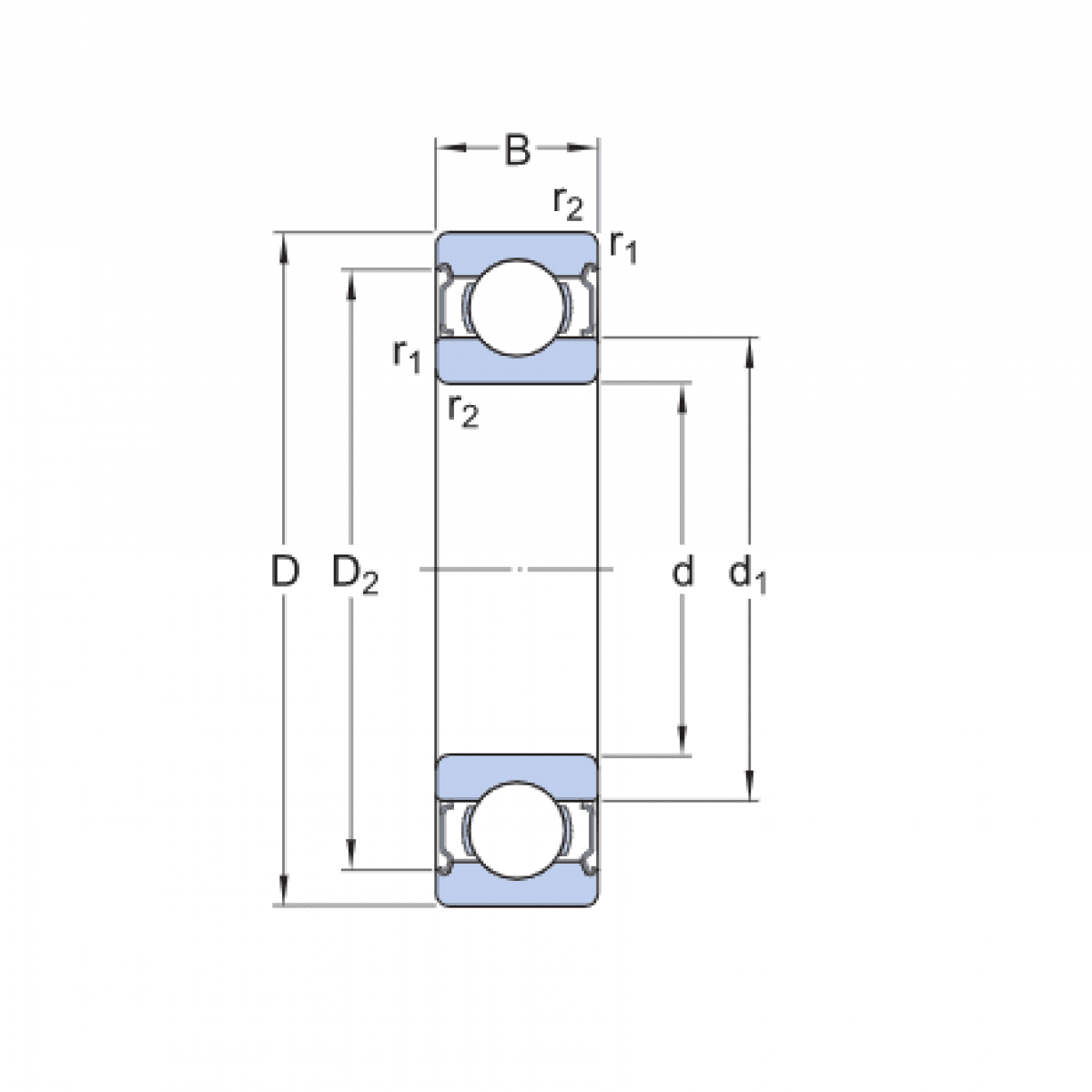
Ložisko 6307 2RS C3 - ZVL

Rozmer: 35x80x21 Značka: ZVL
Externý sklad na dopyt
+
-
ks