Ložisko 6307 2RS - CODEX

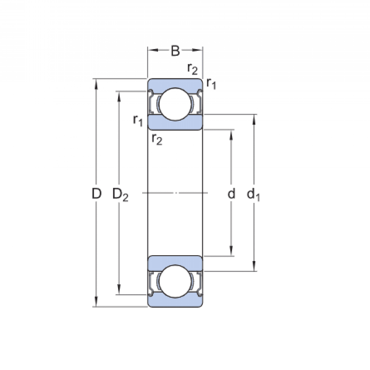
Rozmer: 35x80x21 Značka: CODEX
Skladom 1 ks na dopyt
+
-
ks