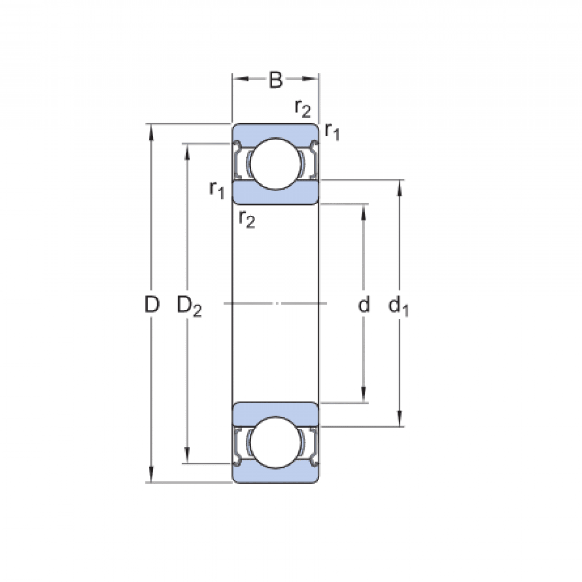
Ložisko 6307 2RS - CX

Rozmer: 35x80x21 Značka: CX
Externý sklad na dopyt
+
-
ks