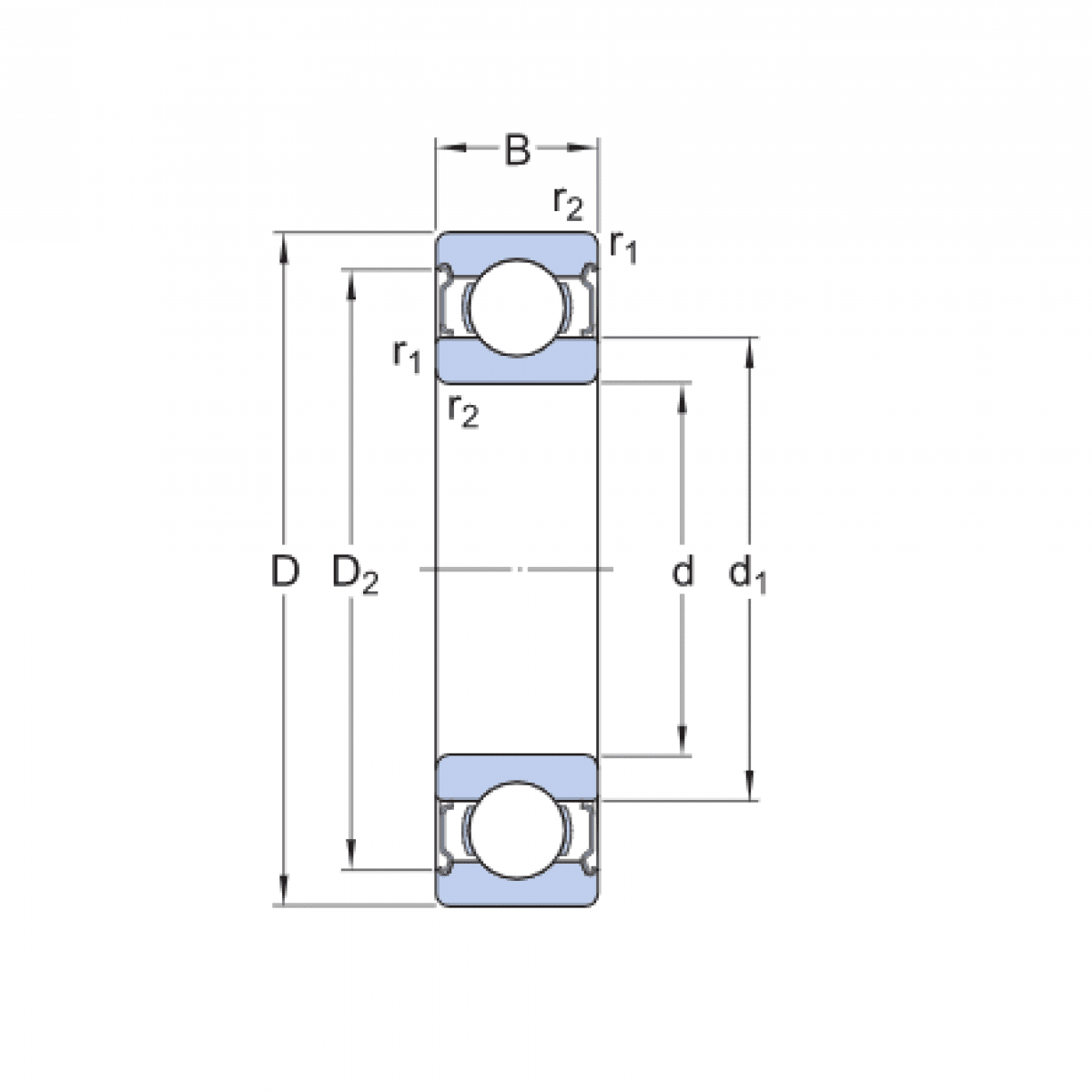
Ložisko 6307 2RS - KBS

Rozmer: 35x80x21 Značka: KBS, KBC
Externý sklad na dopyt
+
-
ks