Ložisko 6307 2RS - ZKL

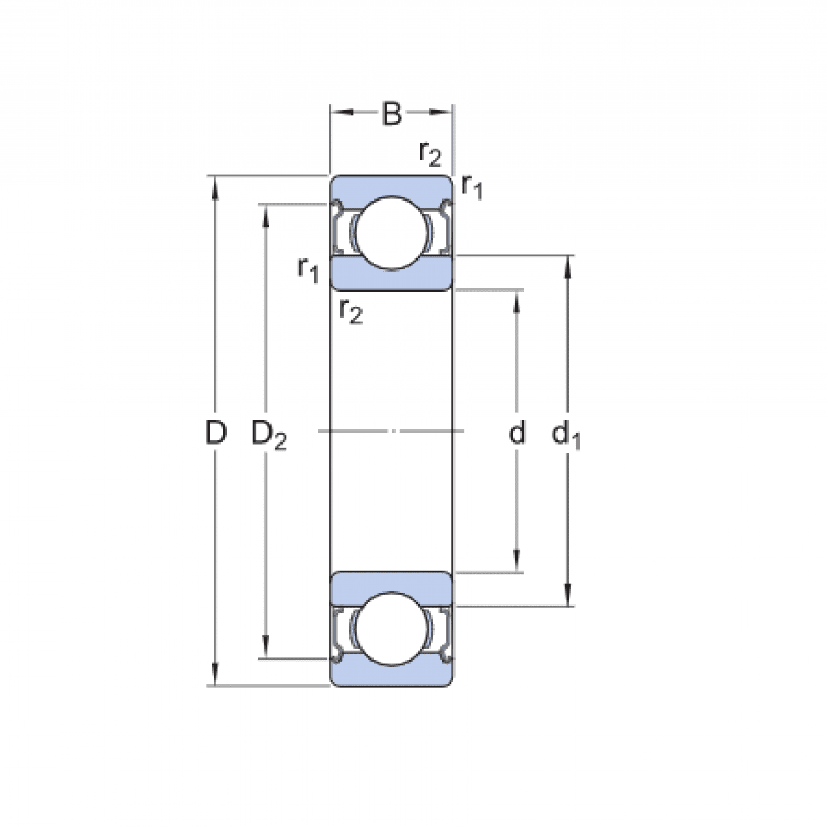
Rozmer: 35x80x21 Značka: ZKL
Skladom 1 ks na dopyt
+
-
ks