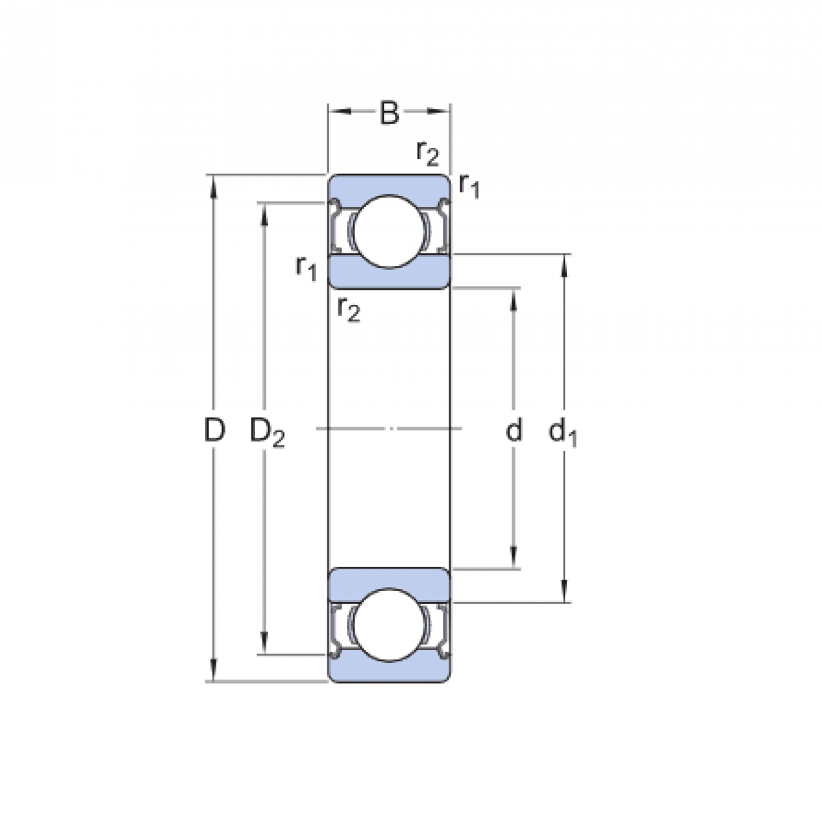
Ložisko 6307 2Z C3 - MTM

Rozmer: 35x80x21 Značka: MTM
Skladom 40 ks na dopyt
+
-
ks