Ložisko 6307 2Z - CX

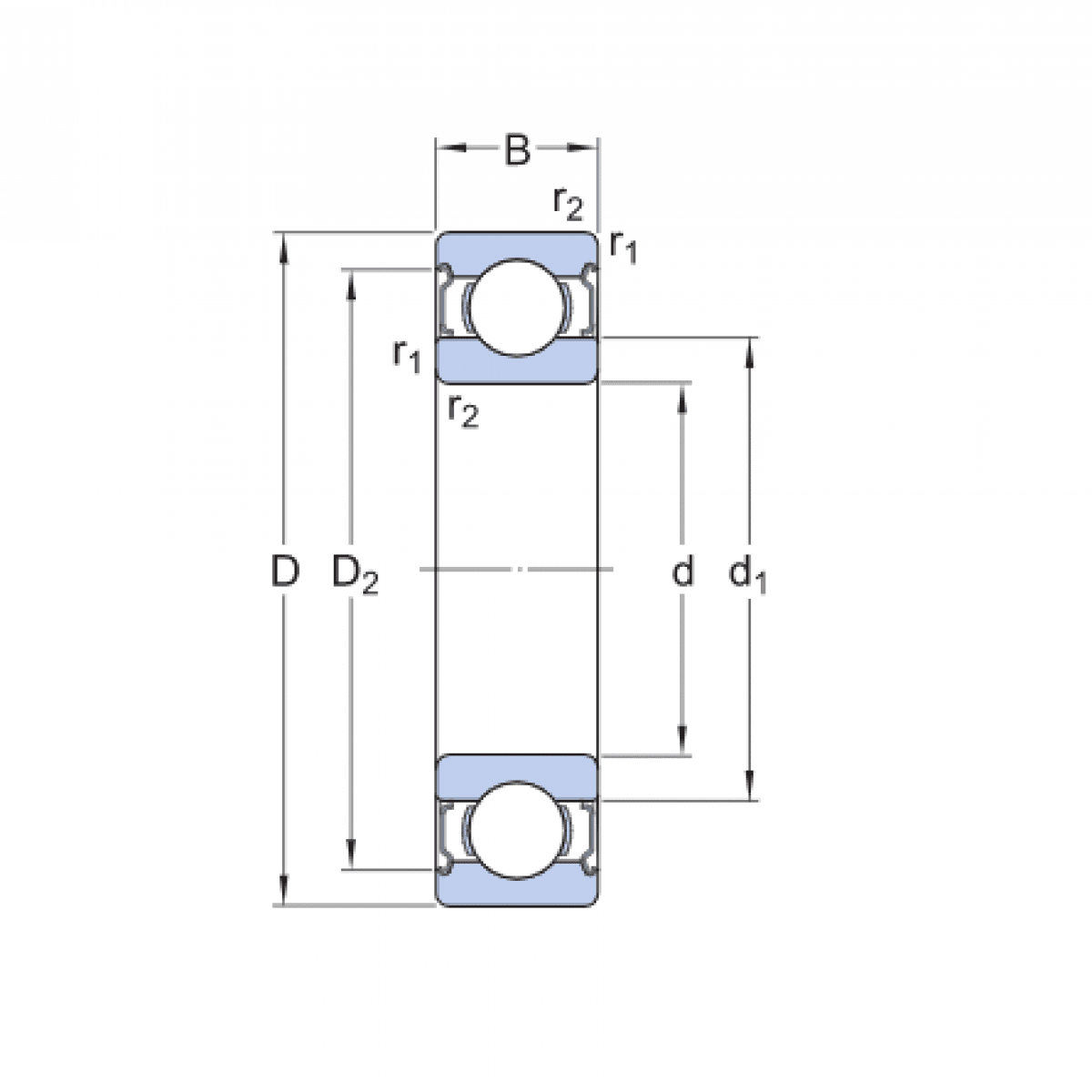
Rozmer: 35x80x21 Značka: CX
Skladom 2 ks na dopyt
+
-
ks