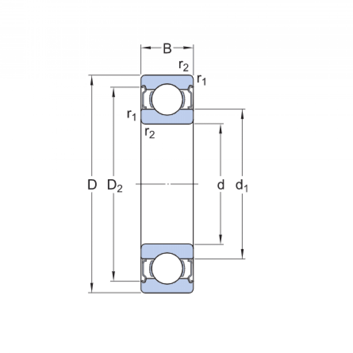
Ložisko 6307 2Z - KINEX

Rozmer: 35x80x21 Značka: KINEX
Externý sklad na dopyt
+
-
ks