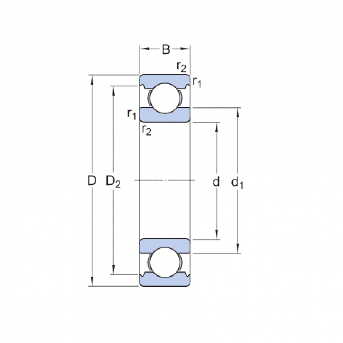
Ložisko 6307 C3 - CX

Rozmer: 35x80x21 Značka: CX
Skladom 22 ks na dopyt
+
-
ks