Ložisko 6307 C3 - SKF

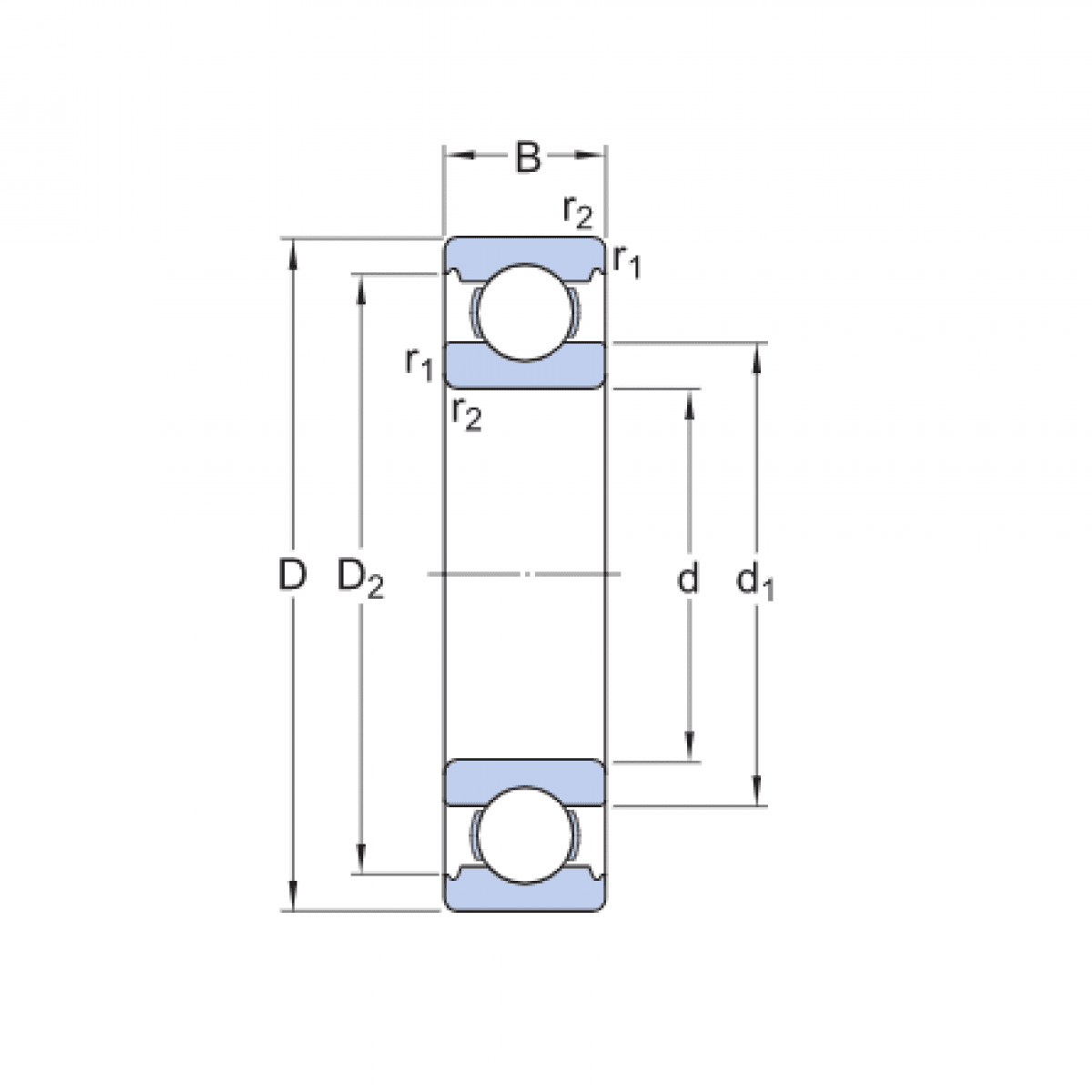
Rozmer: 35x80x21 Značka: SKF
Skladom 14 ks na dopyt
+
-
ks