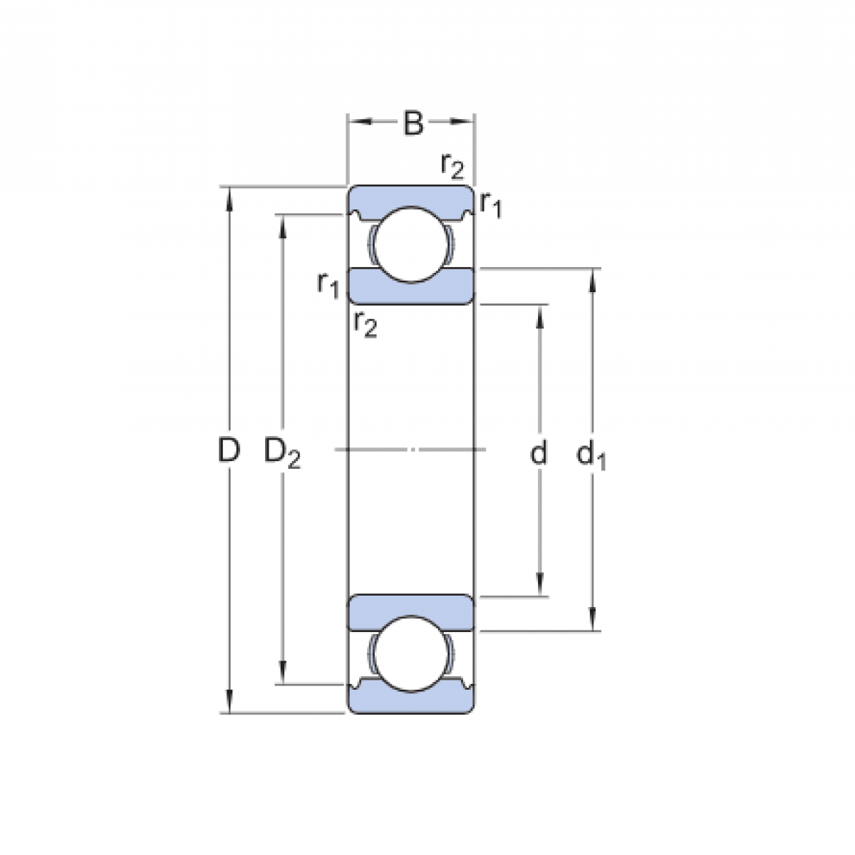
Ložisko 6307 C3 - ZKL

Rozmer: 35x80x21 Značka: ZKL
Externý sklad na dopyt
+
-
ks