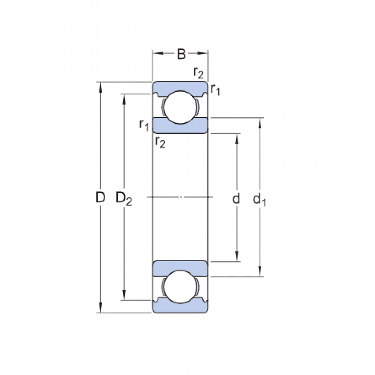
Ložisko 6307 - FAG

Rozmer: 35x80x21 Značka: FAG
Externý sklad na dopyt
+
-
ks