Ložisko 6307 FT 150ZZ - SNR

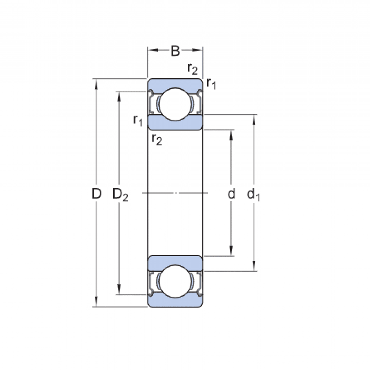
Rozmer: 35x80x21 Značka: SNR
Externý sklad na dopyt
+
-
ks