Ložisko 6307 NR - KOYO

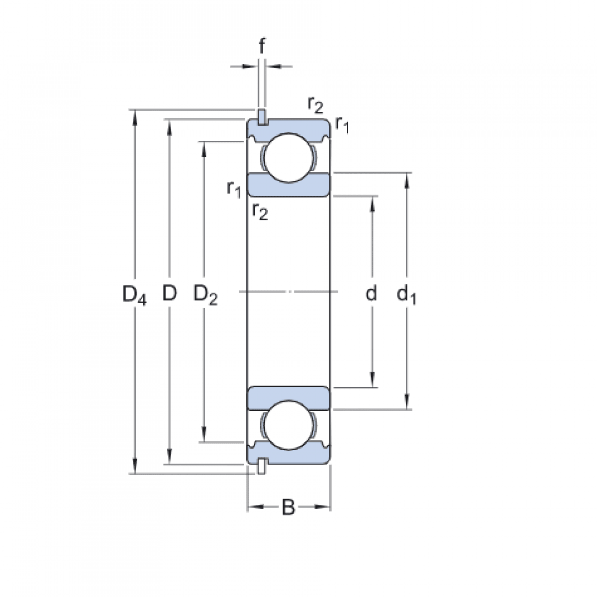
Rozmer: 35x80x21 Značka: KOYO-TORRINGTON
Externý sklad na dopyt
+
-
ks