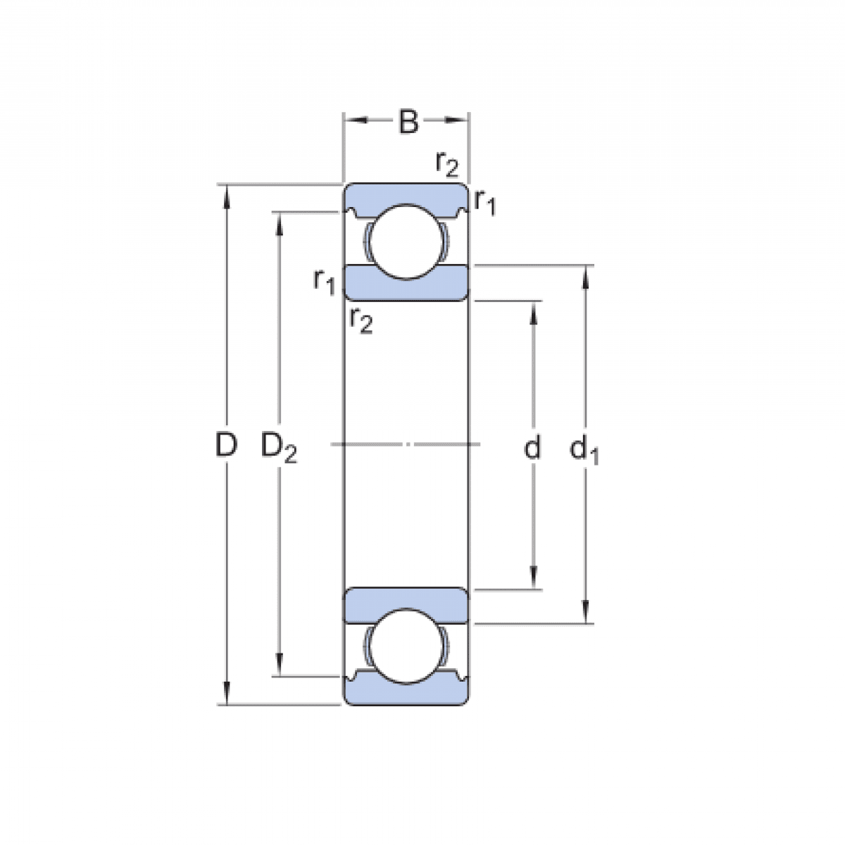
Ložisko 6307 - SKF

Rozmer: 35x80x21 Značka: SKF
Externý sklad na dopyt
+
-
ks