Ložisko 6308 2RS C3 - CX

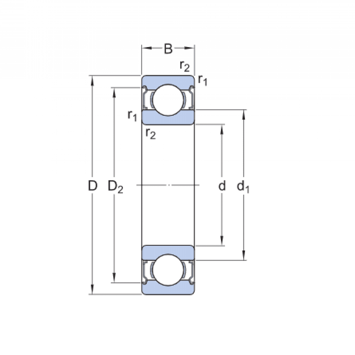
Rozmer: 40x90x23 Značka: CX
Skladom 7 ks na dopyt
+
-
ks