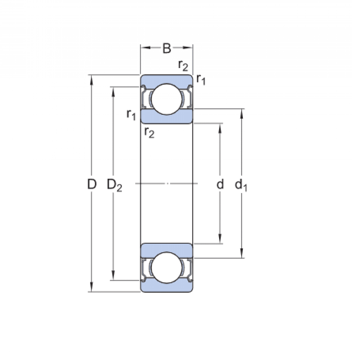
Ložisko 6308 2RS - CX

Rozmer: 40x90x23 Značka: CX
Externý sklad na dopyt
+
-
ks