Ložisko 6308 2RS - MTM

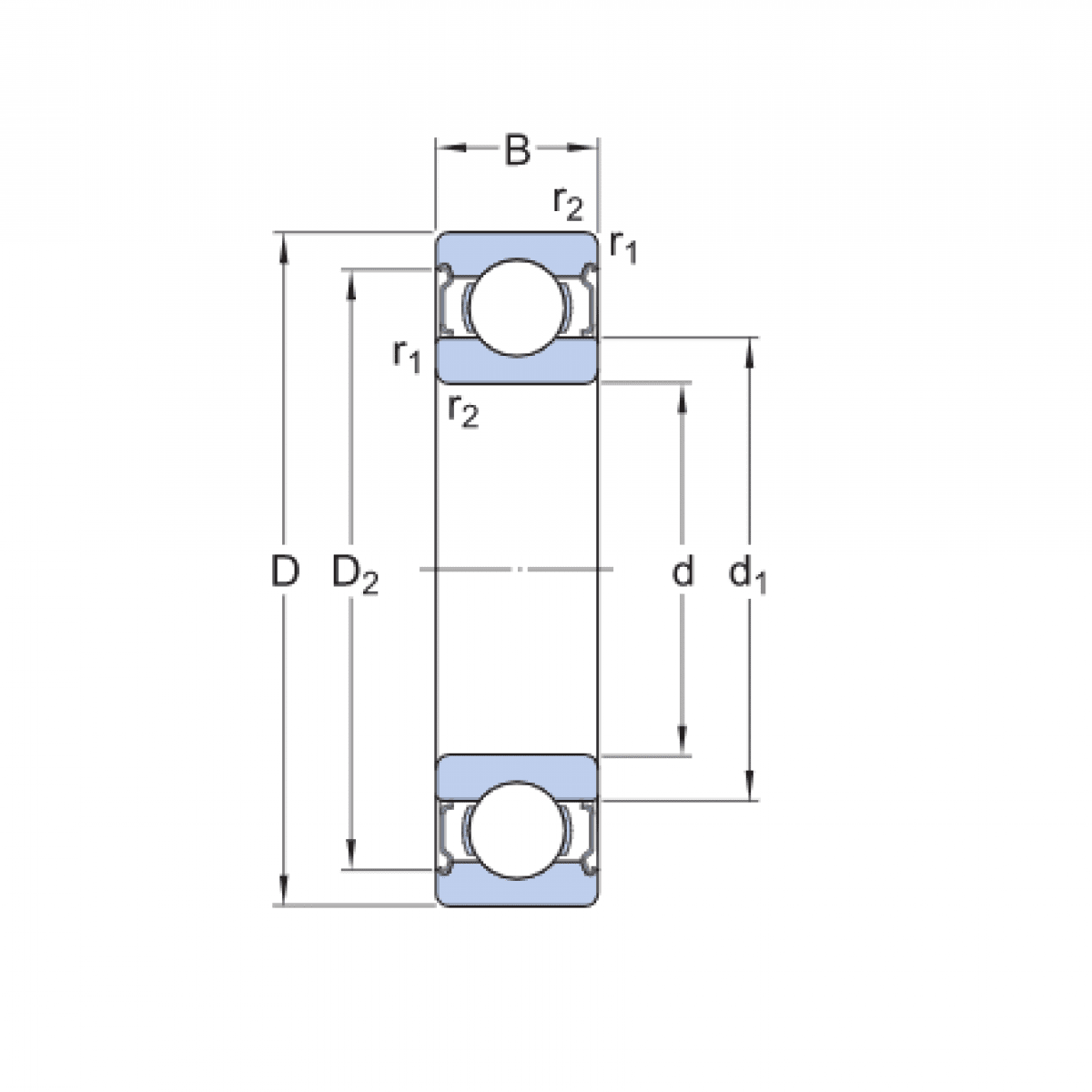
Rozmer: 40x90x23 Značka: MTM
Skladom 30 ks na dopyt
+
-
ks