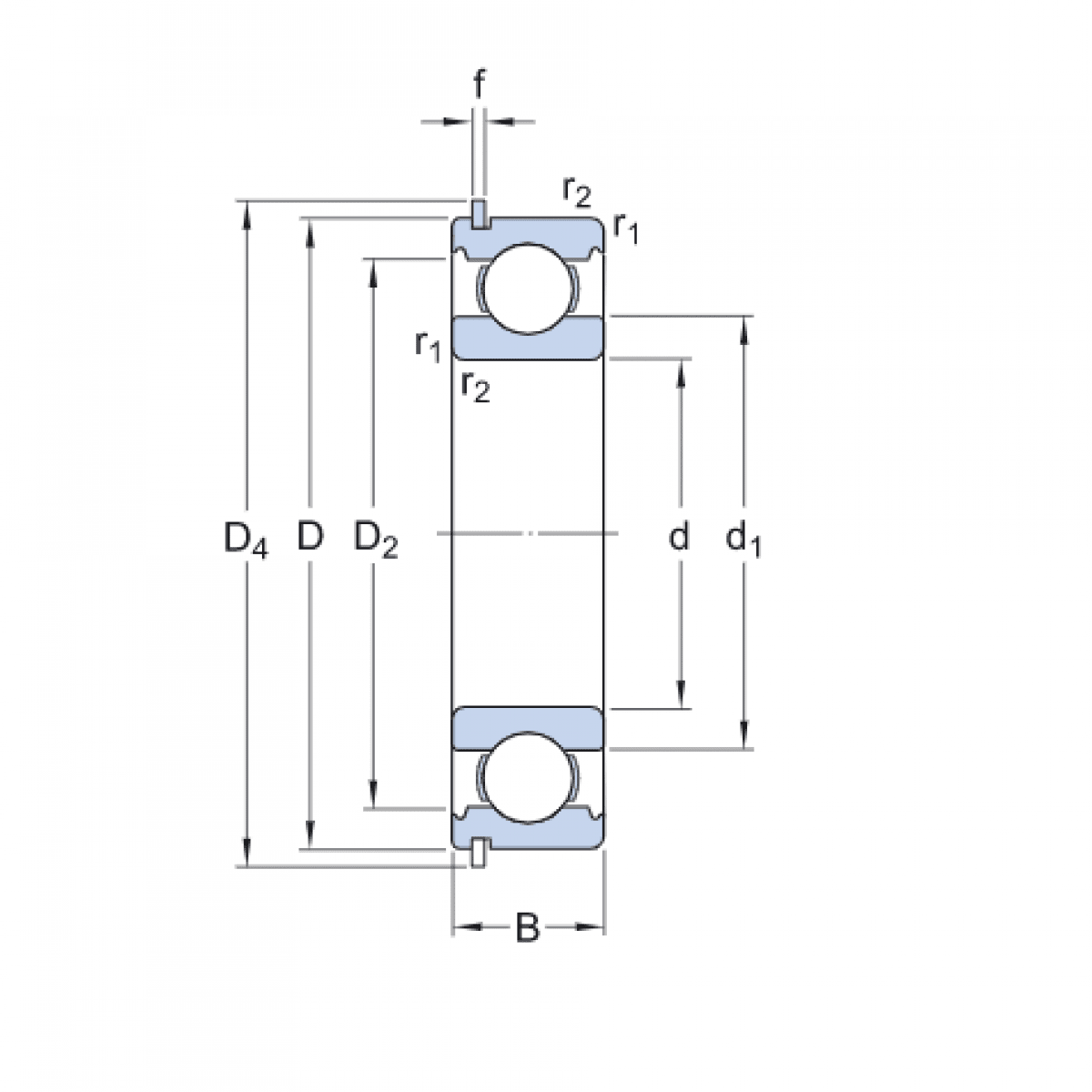
Ložisko 6308 2RS NR - NACHI

Rozmer: 40x90x23 Značka: NACHI
Externý sklad na dopyt
+
-
ks