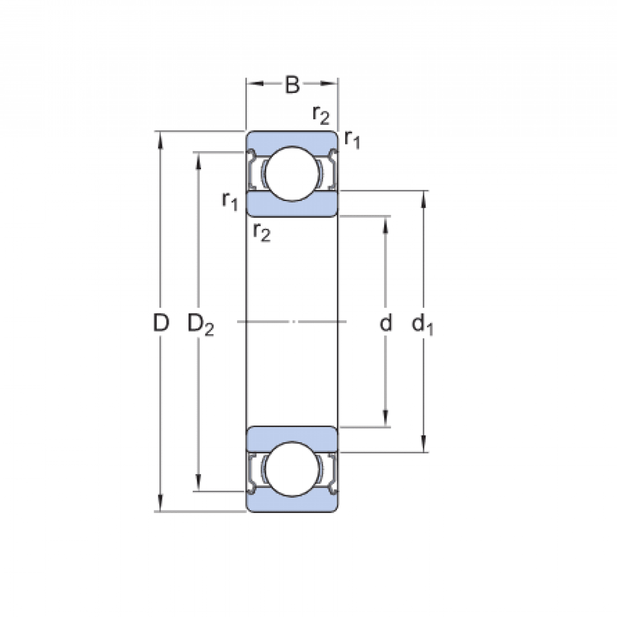
Ložisko 6308 2RS - ZKL

Rozmer: 40x90x23 Značka: ZKL
Externý sklad na dopyt
+
-
ks