Ložisko 6308 2RSR - FAG

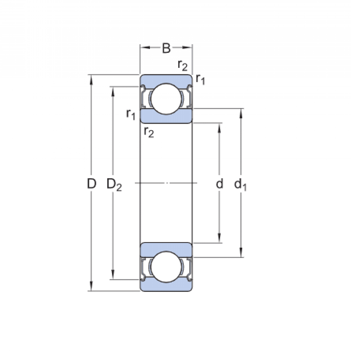
Rozmer: 40x90x23 Značka: FAG
Skladom 2 ks na dopyt
+
-
ks