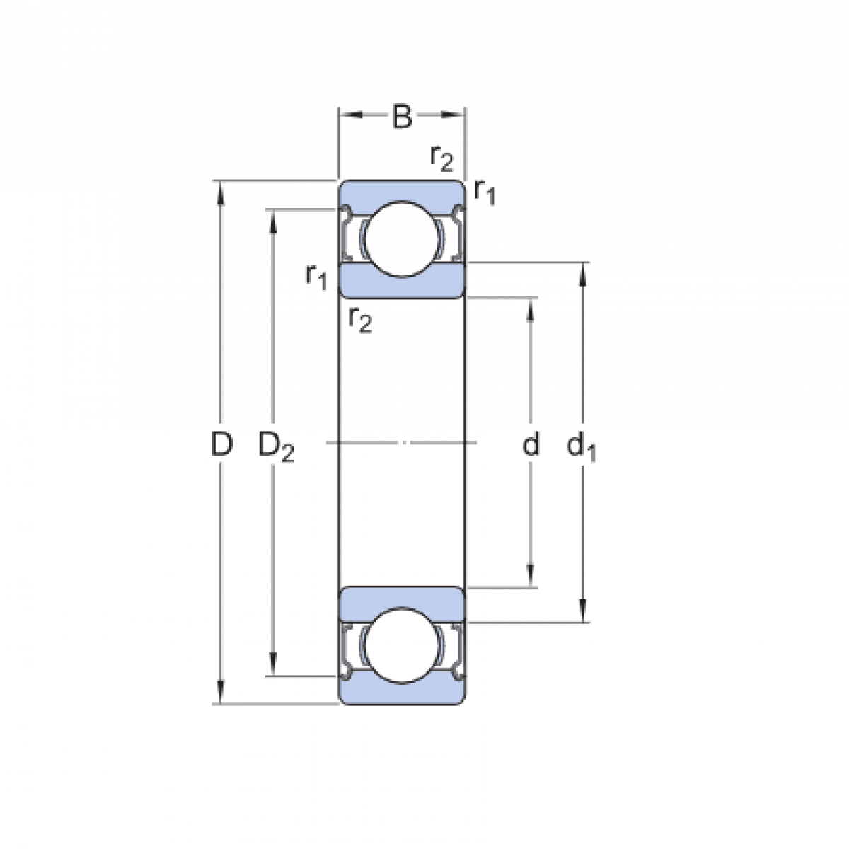
Ložisko 6308 2Z C4 - NSK

Rozmer: 40x90x23 Značka: NSK
Externý sklad na dopyt
+
-
ks