Ložisko 6308 2Z - MTM

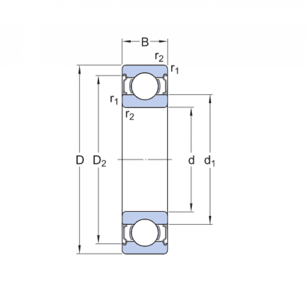
Rozmer: 40x90x23 Značka: MTM
Skladom 18 ks na dopyt
+
-
ks