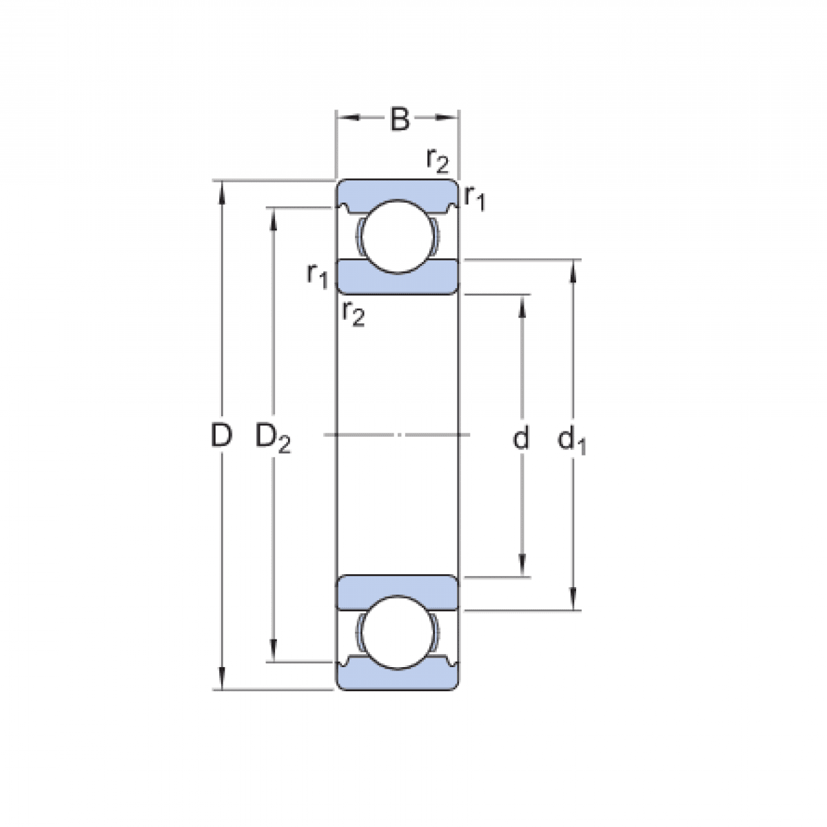
Ložisko 6308 - FAG

Rozmer: 40x90x23 Značka: FAG
Externý sklad na dopyt
+
-
ks