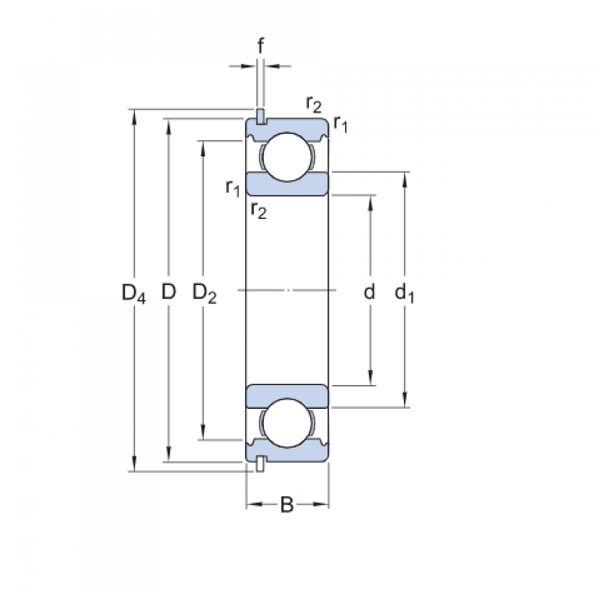
Ložisko 6308 NR C3 - KOYO

Rozmer: 40x90x23 Značka: KOYO-TORRINGTON
Externý sklad na dopyt
+
-
ks