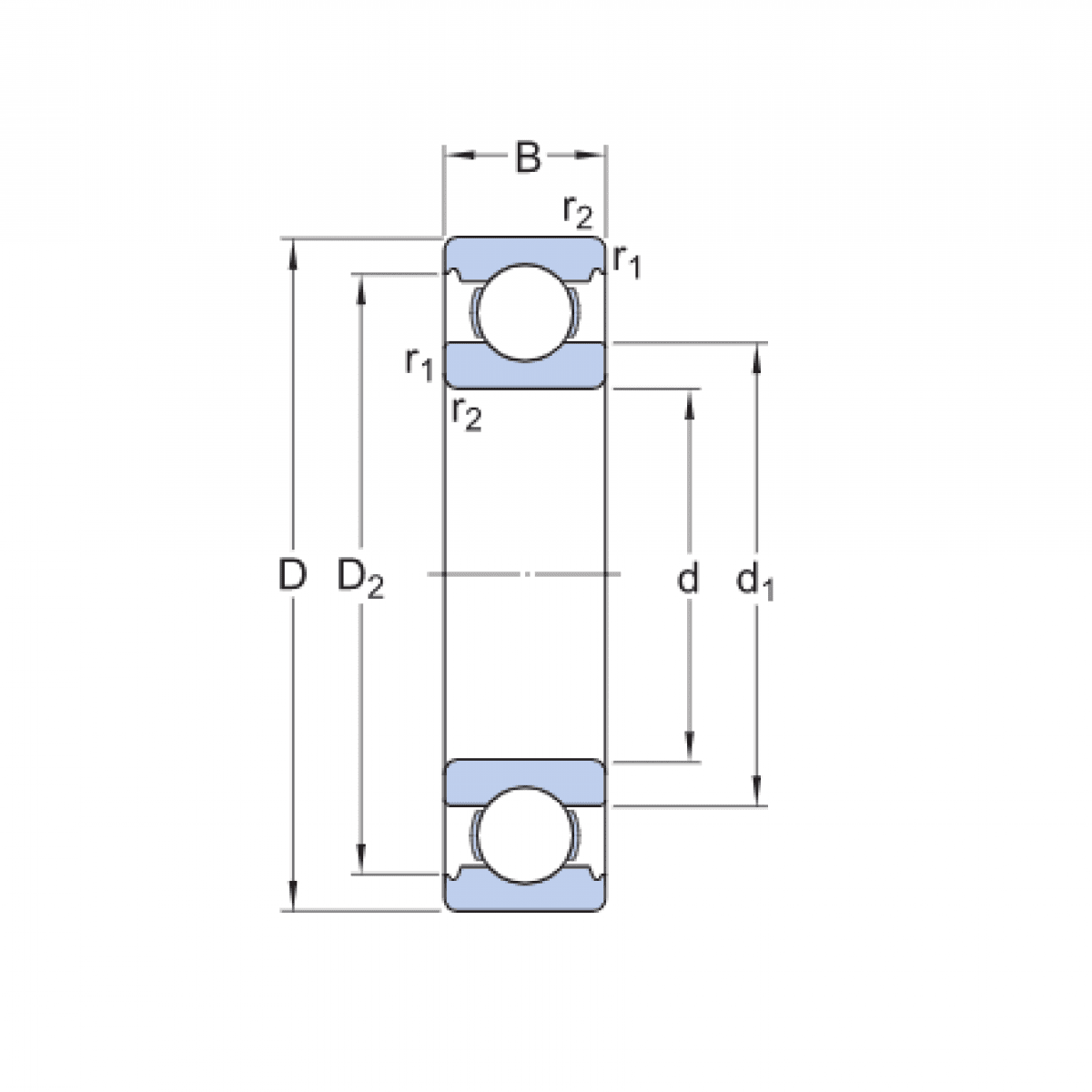
Ložisko 6308 - SKF

Rozmer: 40x90x23 Značka: SKF
Externý sklad na dopyt
+
-
ks