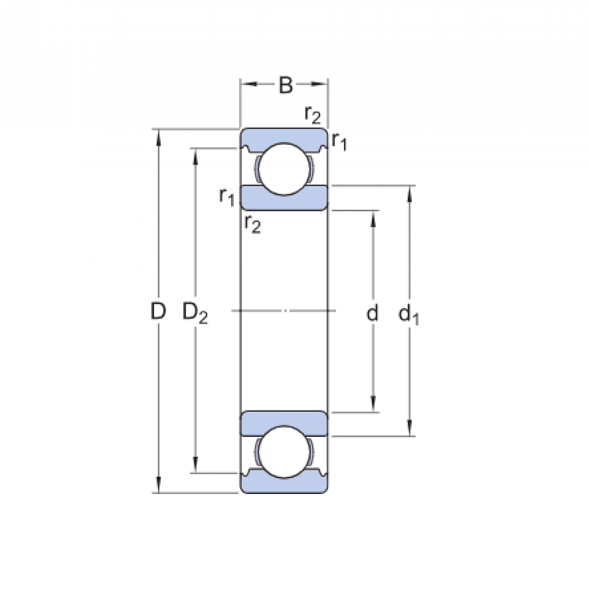
Ložisko 6308 - URB

Rozmer: 40x90x23 Značka: URB
Externý sklad na dopyt
+
-
ks