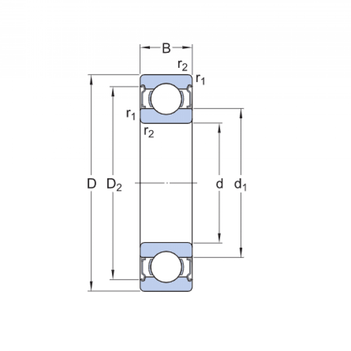
Ložisko 6308 ZZ C3 - GPZ

Rozmer: 40x90x23 Značka: GPZ
Externý sklad na dopyt
+
-
ks