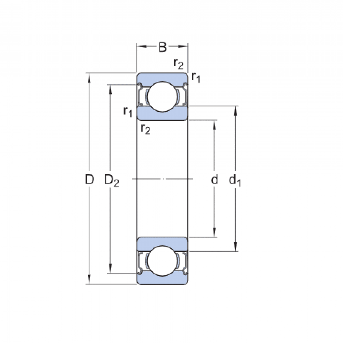
Ložisko 6308 ZZ C3 - ZLK

Rozmer: 40x90x23 Značka: ZLK
Externý sklad na dopyt
+
-
ks