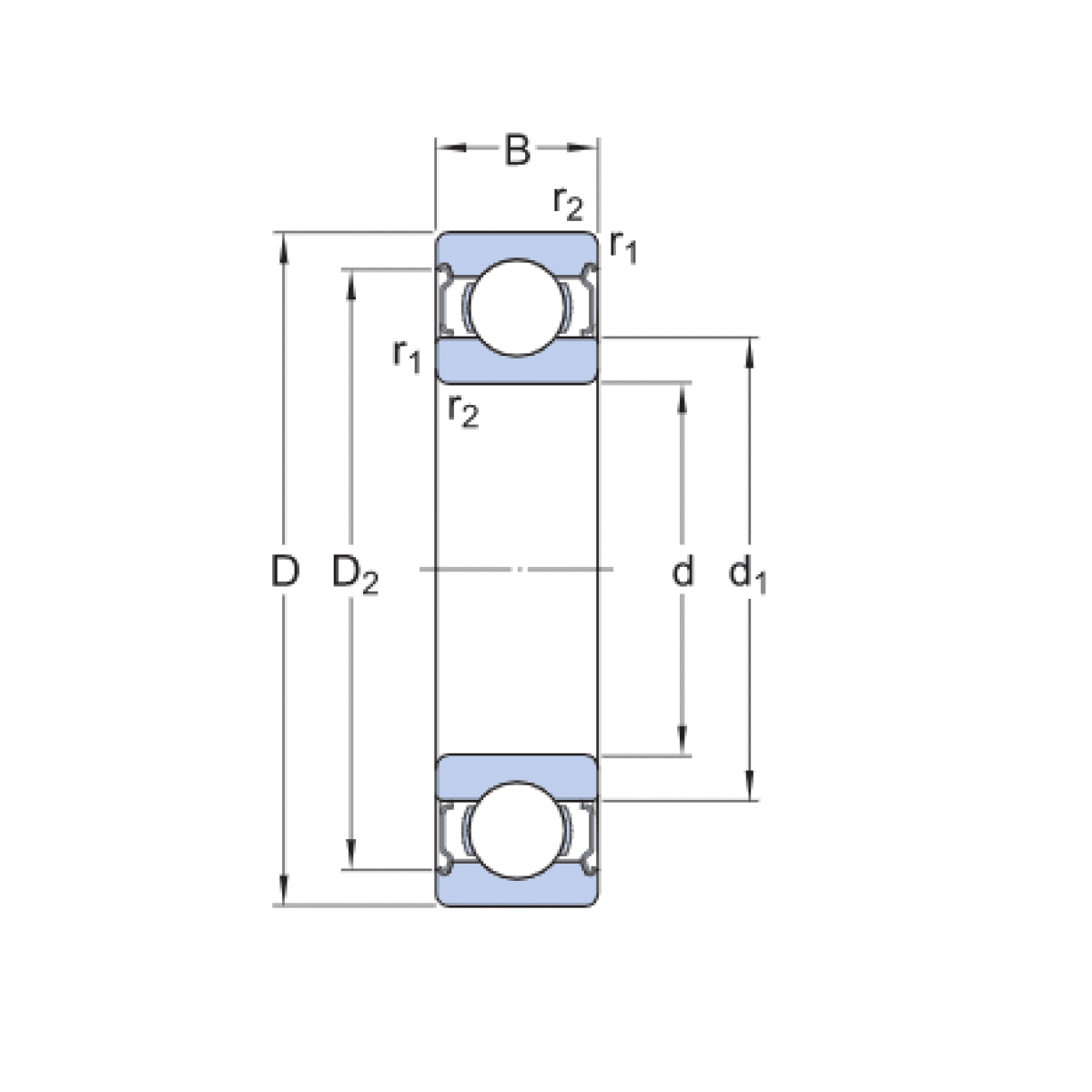
Ložisko 6309 2RS - ZKL NEW

Rozmer: 45x100x25 Značka: ZKL
Externý sklad na dopyt
+
-
ks