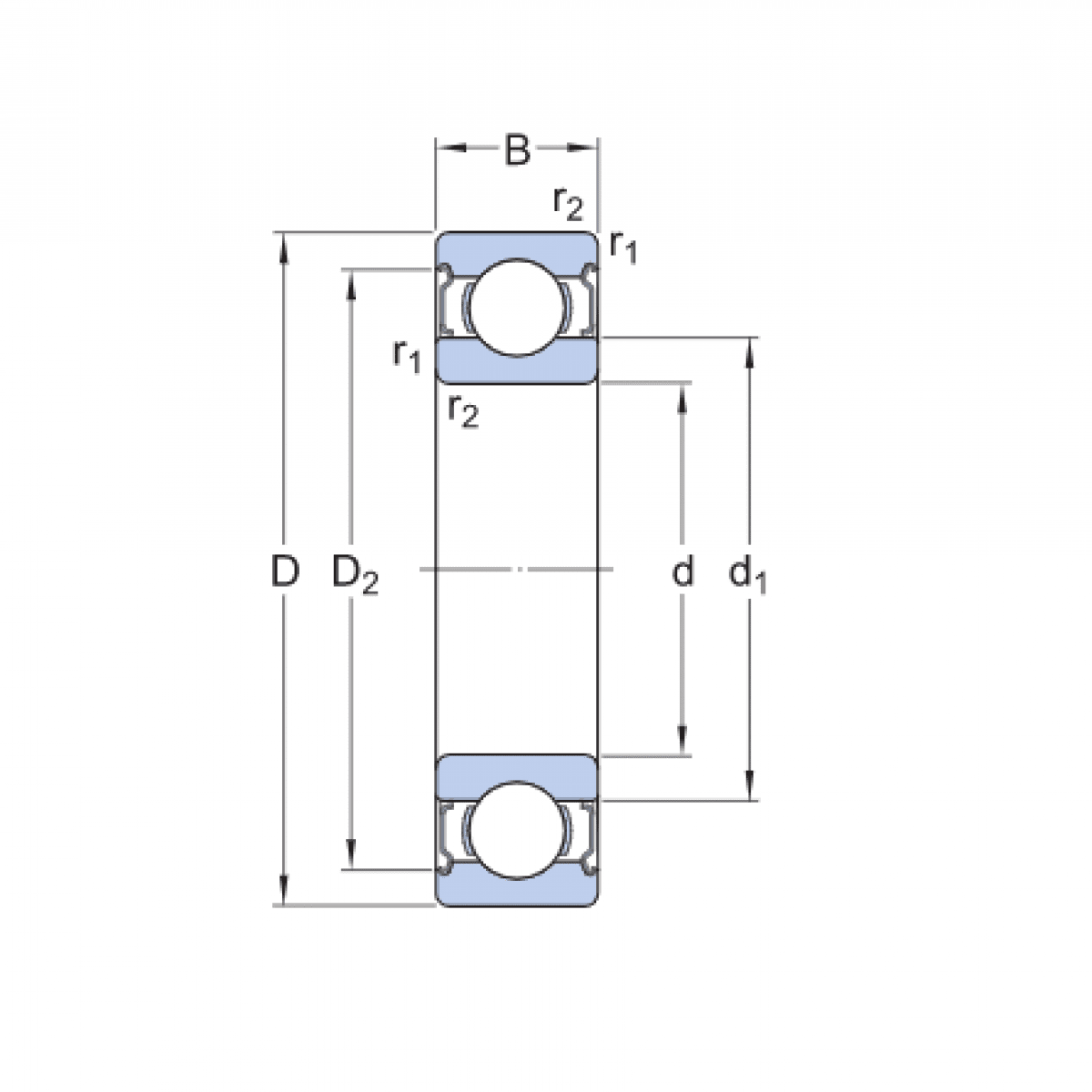
Ložisko 6309 2Z C3 - KINEX

Rozmer: 45x100x25 Značka: KINEX
Externý sklad na dopyt
+
-
ks