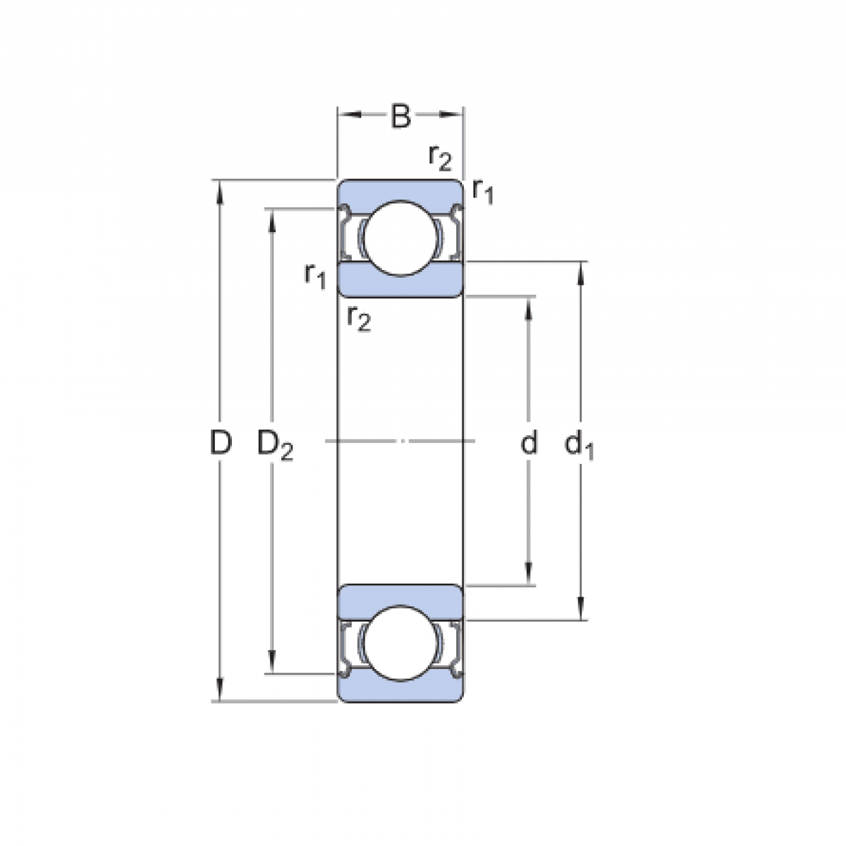
Ložisko 6309 2Z - CX

Rozmer: 45x100x25 Značka: CX
Externý sklad na dopyt
+
-
ks