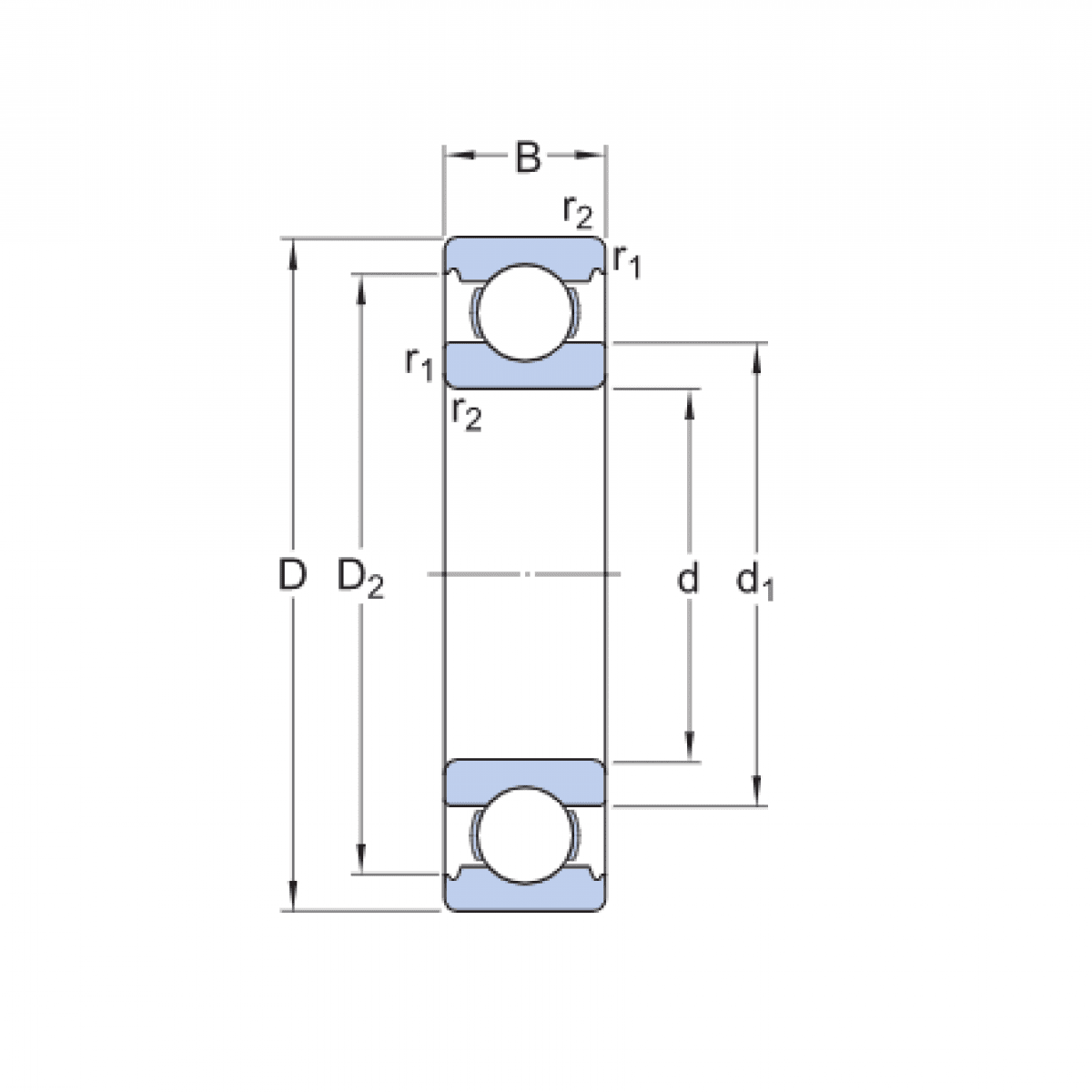
Ložisko 6309 C3 - FAG

Rozmer: 45x100x25 Značka: FAG
Externý sklad na dopyt
+
-
ks