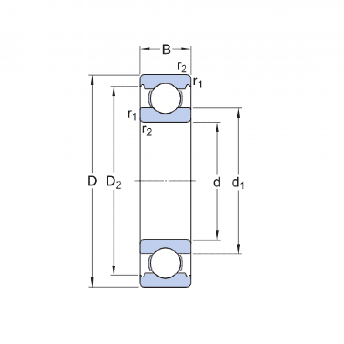
Ložisko 6309 - MTM

Rozmer: 45x100x25 Značka: MTM
Externý sklad na dopyt
+
-
ks