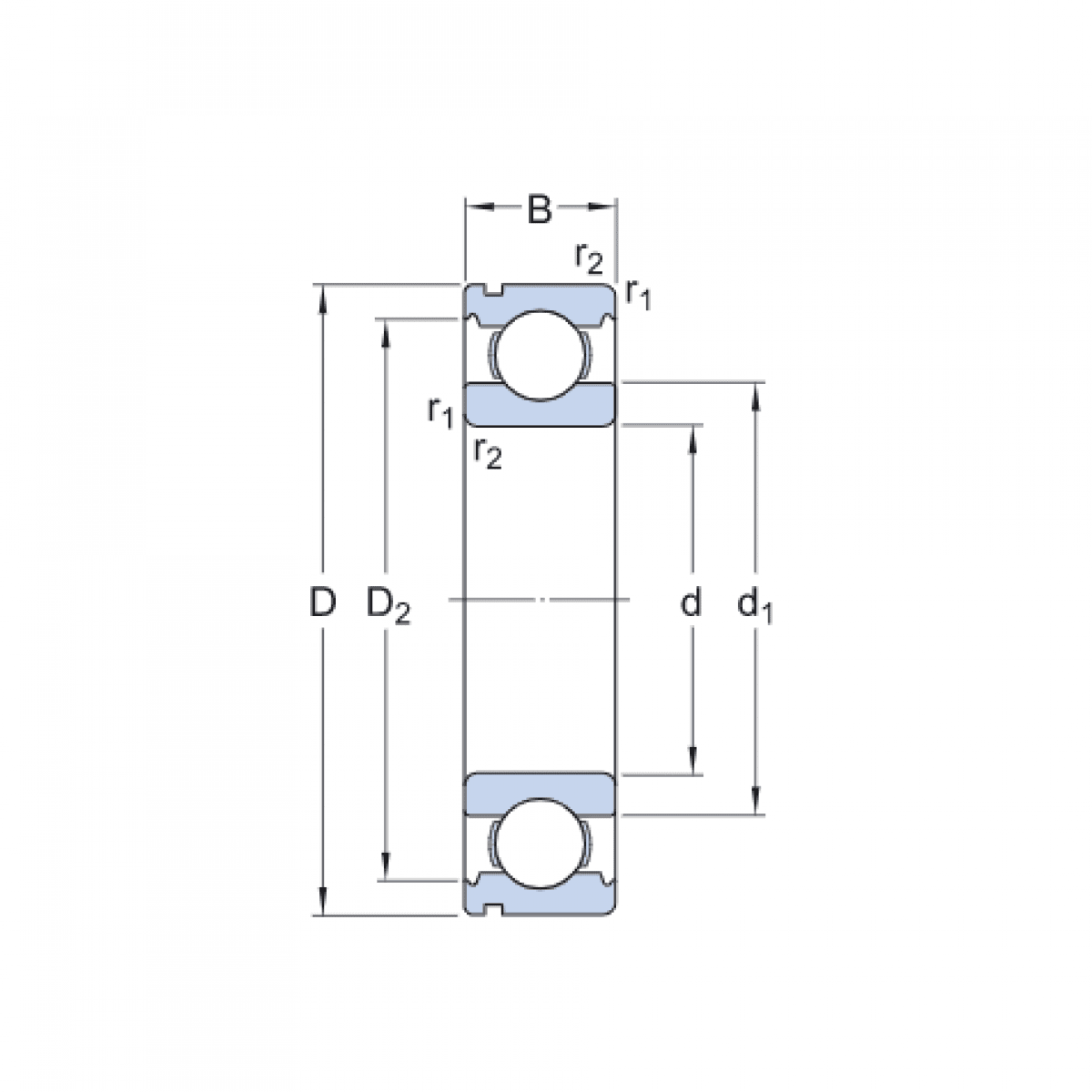
Ložisko 6309 N - CX

Rozmer: 45x100x25 Značka: CX
Externý sklad na dopyt
+
-
ks