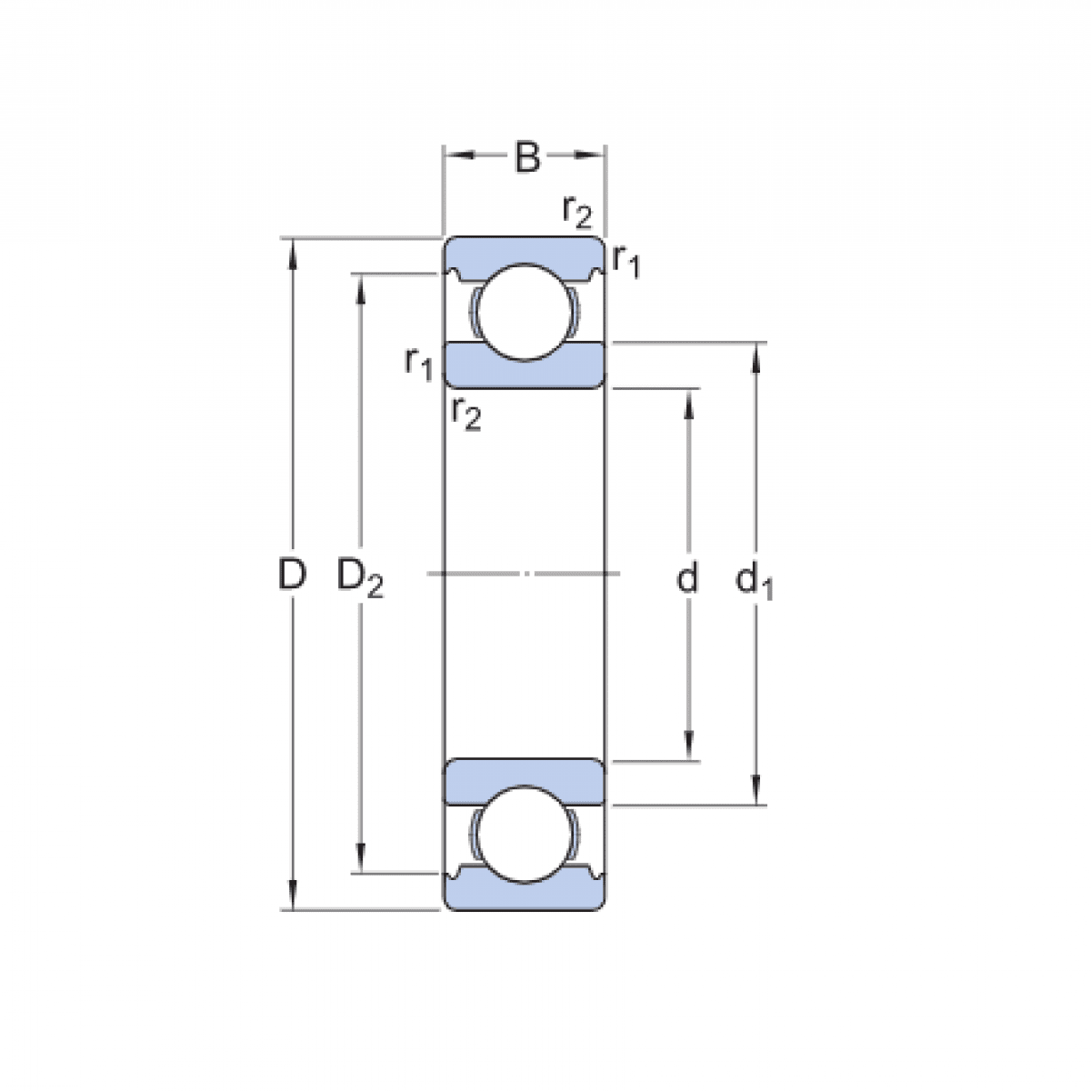
Ložisko 6309 - ZKL

Rozmer: 45x100x25 Značka: ZKL
Externý sklad na dopyt
+
-
ks