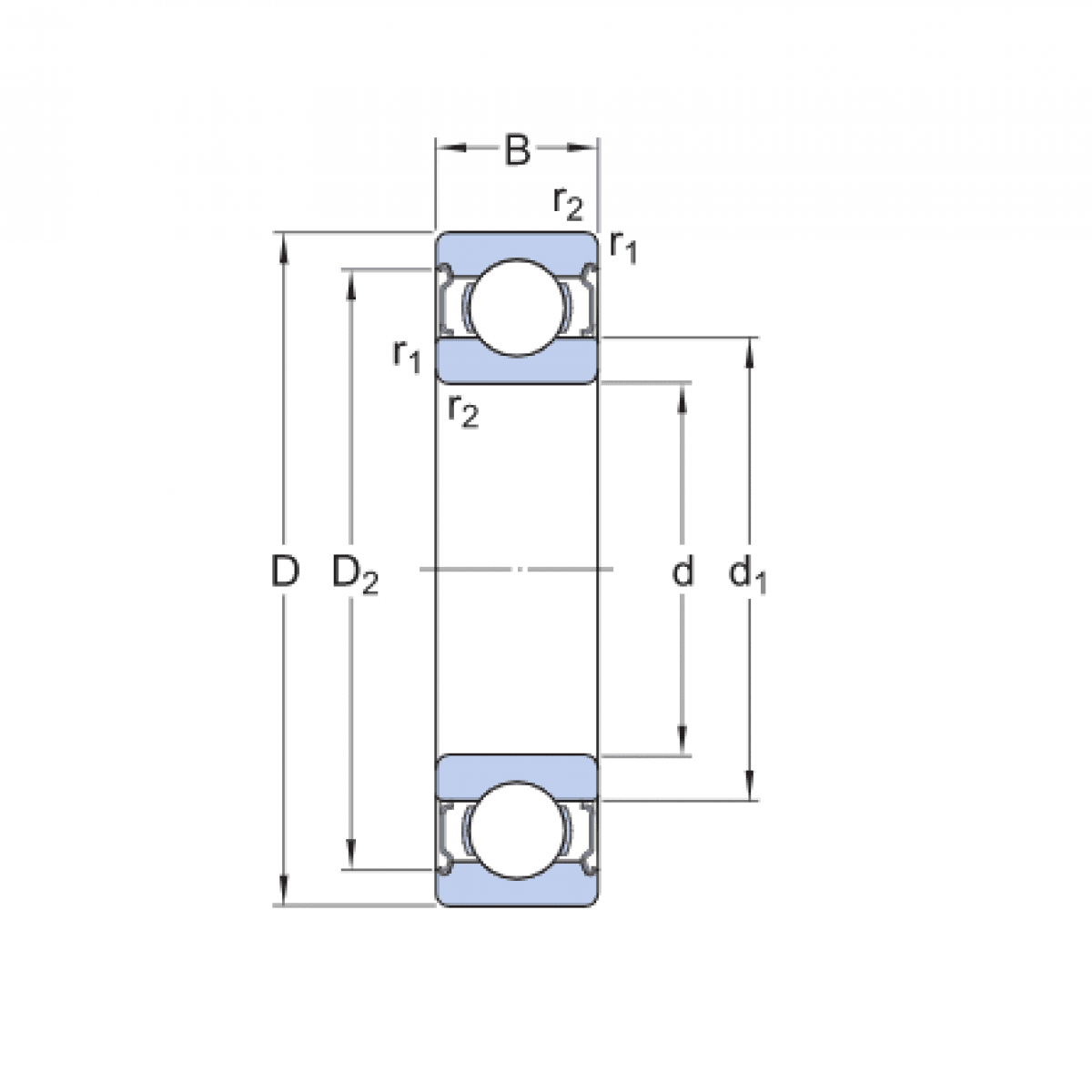
Ložisko 6309 ZZ C5 - SKF

Rozmer: 45x100x25 Značka: SKF
Externý sklad na dopyt
+
-
ks