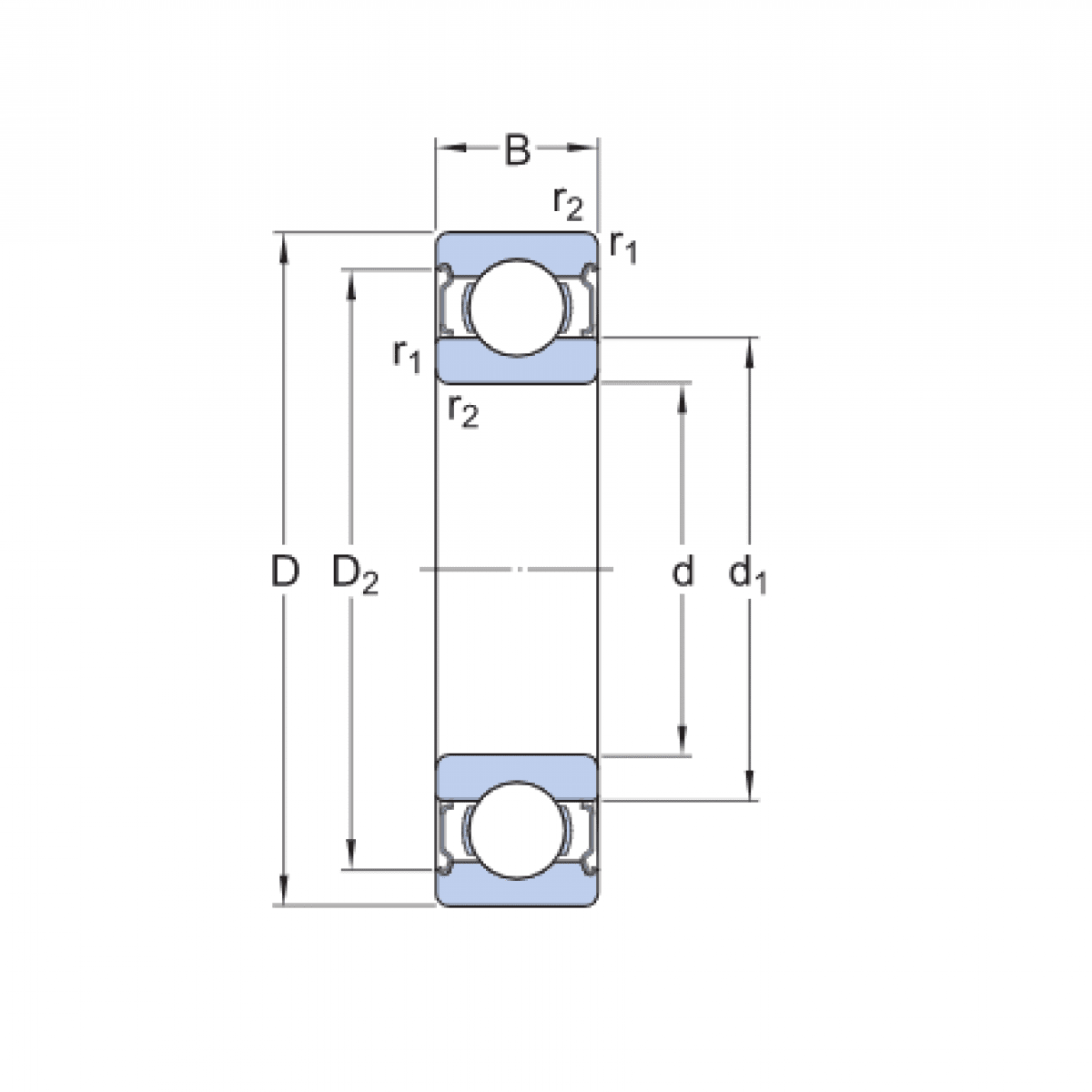
Ložisko 6310 2RS C3 - MTM

Rozmer: 50x110x27 Značka: MTM
Externý sklad na dopyt
+
-
ks