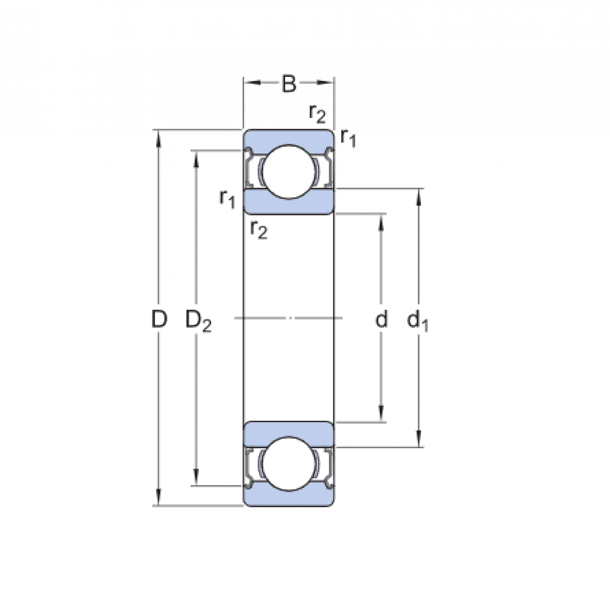
Ložisko 6310 2RS - CX

Rozmer: 50x110x27 Značka: CX
Externý sklad na dopyt
+
-
ks