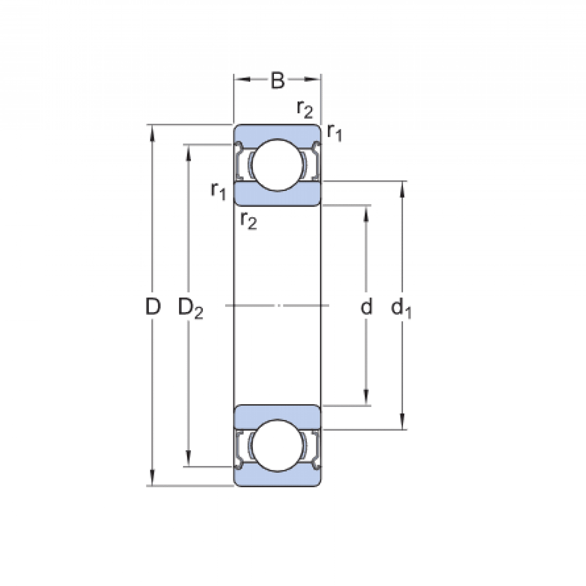
Ložisko 6310 2RS - KBS

Rozmer: 50x110x27 Značka: KBS, KBC
Externý sklad na dopyt
+
-
ks